SEOAM CAHA SERİSİ HİDROLİK AYNA CNC yedek parça
SEOAM CAHA SERİSİ HİDROLİK AYNA, modern endüstriyel süreçlerde önemli bir role sahip olan bir ekipman türüdür. Özellikle metal işleme endüstrisinde sıkça kullanılan bu hidrolik aynalar, iş parçalarının şekillendirilmesi, kesilmesi veya delinmesi gibi işlemlerde yüksek hassasiyet ve verimlilik sağlar. Tempo CNC ise, bu tür ekipmanların üretiminde uzmanlaşmış bir firma olarak bilinir.
SEOAM CAHA SERİSİ HİDROLİK AYNALAR, çeşitli özelliklere sahip olabilirler. Hassas hidrolik sistemleri, yüksek dayanıklılık ve çeşitli iş parçalarını işleme yetenekleri gibi özellikler, endüstriyel üretimde etkin ve verimli kullanımlarını sağlar. Bu aynalar, genellikle CNC (Bilgisayarlı Sayısal Kontrol) makineleriyle entegre edilerek, otomasyon ve hassas kontrol imkanı sunarlar.
Tempo CNC, SEOAM CAHA SERİSİ HİDROLİK AYNALARININ üretimi, satışı ve servis hizmetleri konusunda uzmanlaşmış bir firma olarak öne çıkar. Müşterilerine yüksek kaliteli ürünler ve profesyonel destek sunarak, endüstriyel üretim süreçlerinde verimliliği artırmaya yardımcı olur. Firma, müşteri taleplerine göre özelleştirilmiş çözümler sunarak, farklı endüstriyel ihtiyaçlara uygun çözümler geliştirir.
SEOAM CAHA SERİSİ HİDROLİK AYNALARIN kullanım alanları oldukça geniştir. Metal şekillendirme, otomotiv endüstrisi, havacılık, savunma sanayi ve daha birçok sektörde kullanımları yaygındır. Bu aynalar, yüksek mukavemetli malzemelerin işlenmesinde, karmaşık parçaların üretiminde ve hassas işlemlerde önemli bir role sahiptir.
Sonuç olarak, SEOAM CAHA SERİSİ HİDROLİK AYNALAR, endüstriyel üretim süreçlerinde önemli bir ekipman olarak öne çıkar. Tempo CNC gibi uzman firmaların üretimi ve destek hizmetleri, bu aynaların etkin ve verimli bir şekilde kullanılmasını sağlar, böylece endüstriyel üretimde kalite ve verimlilik artar.

ÖZELLİKLER
Spec_Model | Order_NO. | Spindle nose_NO. | Thru_hole (Diameter)_mm | Jaw_Stroke (Diameter)_mm | Plunger Stroke mm | Gripping_Max | Gripping_Min | Max._permissible input force_KN(kgf) |
| CAHA-06 | 1AHA06 | A2-5 | 46 | 5.5 | 13 | 169 | 13 | 25(2500) |
| CAHA-08 | 1AHA08 | A2-6 | 52 | 7.6 | 18 | 210 | 11 | 40(4080) |
| CAHA-10 | 1AHA10 | A2-8 | 77 | 8.5 | 20 | 254 | 31 | 50(5100) |
| CAHA-12 | 1AHA12 | A2-8 | 91 | 10.2 | 24 | 304 | 34 | 58(5916) |
| CAHA-15 | 1AHA15 | A2-11 | 118 | 10.6 | 23 | 381 | 30 | 71(7240) |
Spec_Model | Max._static gripping_force_KN(kgf) | Max._Permissible speed_r.p.m | Weight(With_standard soft_jaws) | Gd_moment of_inertia | Matching_cylinder | Matching_hard_jaw | Matching_soft_jaw |
| CAHA-06 | 63(6426) | 6000 | 13.7 | 2.45(0.25) | YAH-06 | HJ-06T1 | SJ-06T1 |
| CAHA-08 | 94(9597) | 5000 | 23.6 | 6.90(0.71) | YAH-08 | HJ-08T1 | SJ-08T1 |
| CAHA-10 | 125(12740) | 4200 | 40 | 12.65(1.29) | YAH-10 | HJ-10T1 | SJ-10T1 |
| CAHA-12 | 147(15000) | 3300 | 64 | 30.00(3.06) | YAH-12 | HJ12A1 | SJ12A1 |
| CAHA-15 | 180(18355) | 2500 | 127 | 93.55(9.54) | YAH-15 | HJ-15T1 | SJ-15A1 |
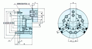
BOYUTLAR
Item_Model | A | B | C | D | E | F | G | H | J | K | L | M | N Max | N Min |
| CAHA-06 | 169 | 90 | 140 | 82.563 | 15 | 5 | 116 | 104.8 | 46 | 6-M10 | 16 | 20 | 33.5 | 30.7 |
| CAHA-08 | 210 | 103 | 170 | 106.375 | 17 | 5 | 150 | 133.4 | 52 | 6-M12 | 18 | 25 | 41.7 | 37.9 |
| CAHA-10 | 254 | 113 | 220 | 139.719 | 18 | 5 | 190 | 171.4 | 77 | 6-M16 | 24 | 30 | 54.5 | 50.3 |
| CAHA-12 | 304 | 127 | 220 | 139.719 | 18 | 6 | 190 | 171.4 | 91 | 6-M16 | 25 | 30 | 62.1 | 56.7 |
| CAHA-15 | 381 | 149 | 300 | 196.869 | 22 | 6 | 260 | 235 | 118 | 6-M20 | 28 | 43 | 82 | 76.7 |
Item_Model | O Max | O Min | P Max | P Min | Q | R | S | T | U Max | V | W | X | Y | Z | |
| CAHA-06 | 23 | 10 | 27 | 14 | 31 | 12 | 19 | 2 | M55X2.0 | 3-M6 | 60 | 20 | 33 | 66 | |
| CAHA-08 | 27 | 10 | 33.5 | 15.5 | 39 | 14 | 20.5 | 2 | M60X2.0 | 3-M6 | 66 | 30 | 39 | 86 | |
| CAHA-10 | 31 | 12 | 27.5 | 7.5 | 44 | 16 | 27 | 2 | M85X2.0 | 3-M8 | 94 | 30 | 45 | 108 | |
| CAHA-12 | 45 | 15 | 28 | 4 | 50 | 21 | 28 | 2 | M100X2.0 | 3-M8 | 108 | 30 | 51 | 111 | |
| CAHA-15 | 43.8 | 18.3 | 33 | 10 | 62 | 22 | 39 | 5 | M130X2.0 | 3-M10 | 139 | 60 | 70 | 165 |










